![]() | ||
| Article | 296088 | |
| Traction effort | 3 t | |
| Вольтаж | 12 | |
| Трос | Without a rope |
Створено: 05.04.2026
| Characteristics | |
|---|---|
| Article | 296088 |
| The drive of the winch | Electric |
| Traction effort | 8002 lbs / 3630 кг |
| Remote control | The remote is conducted |
| Traction effort | 3 t |
| Вольтаж | 12 |
| Трос | Without a rope |
| Weight | 26 кг |
| Gear box | 3-degree planetary |
| Tormosis | Automatic, conical |
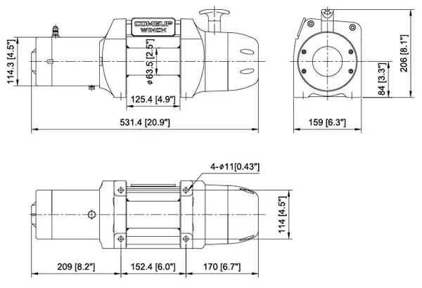
| Mounting holes | 152,4 x 114 мм |
| Transmitting number | 67:1 |
| Engine | 5,250 W/7.0 hp |
| Drug dimensions of the drum | 63.5 x 125,4 мм |
| Brand | Come-up |
This model of electric winch belongs to the MadX series and is specially designed for cars participating in competitions. It is characterized by increased speed and overheating protection thanks to the use of a thermal relay.
Features of this winch include:
The winch is equipped with a 5250 W (7 horsepower) electric motor capable of pulling up to 3630 kg. The body is made of cast aluminum and powder coated to provide certified IP68 protection. Thus, the COMEUP winch can operate without hindrance even when immersed in water to a depth of 100 cm.
The winch is supplied with:
It is important to note that the model is supplied without a cable and is intended for use with a synthetic cable.
| Load, kg/lb | Winding speed, m/min | Current consumption, A (12V) |
| 0 | 25 | 45 |
| 907 | 10.8 | 125 |
| 1,814 | 8.5 | 249 |
| 2,722 | 4.1 | 378 |
| 3,630 | 1.0 | 500 |
| Cable layer | Max. load, m/min | Remaining rope on the drum, m |
| 1 | 3,630 | 3.1 |
| 2 | 2,924 | 7.0 |
| 3 | 2,449 | 11.7 |
| 4 | 2,106 | 15.2 |
| Length | Width | Height |
| 531,4 | 159 | 206 |

Back to electric winches. See all winches. View manual winches.
Payment in cash
Cashless payment
Card payment
Cash on Delivery
Pick-up:Vynnytsia, Yukovka St. 109b
100% warranty service
The warranty period for each product is individual
Within 14 days: new, non-activated goods of proper quality
Order sent, please wait for the call
You have already requested a specialist call for this product
Please provide a valid phone number in the correct format
