Contacts
Phones:
E-mail:
![]() | ||
| Article | HMW 5.8 PHT-ST | |
| Traction effort | 5.8 t | |
| The length of the cable | 48.6 m | |
| Трос | Without a rope |
Створено: 05.04.2026
| Characteristics | |
|---|---|
| Article | HMW 5.8 PHT-ST |
| The drive of the winch | Hydraulic |
| Traction effort | 12786 lbs / 5800 кг |
| The length of the cable | 48.6 m |
| The rope included | No |
| Traction effort | 5.8 t |
| Трос | Without a rope |
| Weight | 90 кг |
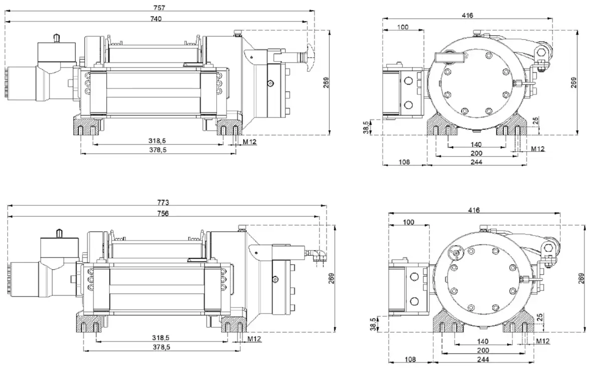
| Dimensions | М - 757 x 416 x 269 мм; П - 773 x 416 x 269 мм |
| The diameter of the cable | 12 мм |
| Mounting holes | 378.5 х 200 мм, 378.5 х 140 мм, 318.5 х 200 мм, 318.5 х 140 мм |
| Transmitting number | 5,2:1 |
| Front drum | 9 кг |
| Press Drum | 4 кг |
| Oil consumption | 60 l/min (15.8 gal/min) |
| Oil pressure | 160 bar (2320 psi) |
| Recommended oil | 85 W 90-0,9 L |
| Brand | Hammer Winch |
Mounting bolts: 16 pcs. M12
| Cable turn | Pulling force (kg/lbs) | Winding speed (m/min) | Cable length (m) |
| 1 | 5800 / 12783 | 10 | 7.35 |
| 2 | 4927 / 10861 | 12 | 15.7 |
| 3 | 4283 / 9440 | 14 | 25.3 |
| 4 | 3788 / 8349 | 16 | 36 |
| 5 | 3395 / 7483 | 17 | 48.6 |

Back to hydraulic winches. See all winches. View winches for ATV.
Payment in cash
Cashless payment
Card payment
Cash on Delivery
Pick-up:Vynnytsia, Yukovka St. 109b
100% warranty service
The warranty period for each product is individual
Within 14 days: new, non-activated goods of proper quality
Order sent, please wait for the call
You have already requested a specialist call for this product
Please provide a valid phone number in the correct format
