Contacts
Phones:
E-mail:
![]() | ||
| Article | HMW 22.0 PHT-EN-P | |
| Traction effort | 22 tons | |
| The length of the cable | 77.4 m | |
| Трос | Without a rope |
Оновлено: 17.02.2025
| Characteristics | |
|---|---|
| Article | HMW 22.0 PHT-EN-P |
| The drive of the winch | Hydraulic |
| Traction effort | 48501 lbs / 22000 кг |
| The length of the cable | 77.4 m |
| The length of the rope (en) | 60.8 м |
| Traction effort | 22 tons |
| Трос | Without a rope |
| Weight | 345 кг |
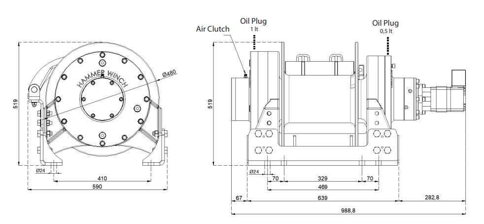
| Dimensions | 988.8 мм х 590 мм х 519 мм |
| The diameter of the cable | 22 мм |
| Mounting holes | 469 мм x 410 мм, 329 мм х 410 мм |
| Transmitting number | 46:1 |
| Press Drum | 8 кг |
| Engine | 250 SS |
| Oil consumption | 75 l/min (19.8 gal/min) |
| Oil pressure | 170 бар |
| Recommended oil | 85 W 140 - 1,5 L |
| Brand | Hammer Winch |
Clutch: pneumatic.
Fixing bolts: 8 pcs. М22 8,8
| Cable turn | Pulling force (kg/lbs) | Winding speed (m/min) | Cable length (m) |
| 1 | 22000 / 48488 | 4.3 | 9.4 |
| 2 | 18743 / 41310 | 5 | 19.6 |
| 3 | 16326 / 35983 | 5.8 | 32 |
| 4 | 14461 / 31874 | 6.6 | 45.2 |
| EN 5 | 12979 / 28606 | 7.3 | 60.8 |
| 6 | 11772 / 25947 | 8 | 77.4 |

Back to hydraulic winches. See all winches. View winches for ATV.
Payment in cash
Cashless payment
Card payment
Cash on Delivery
Pick-up:Vynnytsia, Yukovka St. 109b
100% warranty service
The warranty period for each product is individual
Within 14 days: new, non-activated goods of proper quality
Order sent, please wait for the call
You have already requested a specialist call for this product
Please provide a valid phone number in the correct format

TR>